qy球友会(中国)
产品中心
服务与支持
解决方案
新闻动态
关于qy球友会(中国)
联系qy球友会(中国)
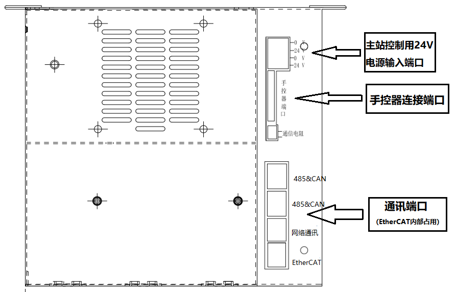
机械手控制系统驱控一体化——EC-C4冲压系列驱控一体,箱体的整体接线说明:
版权所有 © 深圳市qy球友会(中国)工业控制股份有限公司 未经许可不得复制、转载或摘编,违者必究 版权声明
Copyright © Shenzhen Huacheng Industrial Control Co., Ltd. All Rights Reserved.
网站ICP备案号: 粤ICP备19106162号
技术支持:新新网络
咨询电话
13924666952
400-158-1606
官方客服微信