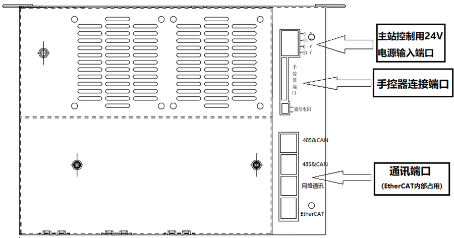
EC-L6车床机器人控制系统驱控一体箱体整体接线说明-qy球友会(中国)机械
    1. qy球友会(中国)

      版权所有 © 深圳市qy球友会(中国)工业控制股份有限公司 未经许可不得复制、转载或摘编,违者必究  版权声明

      Copyright © Shenzhen Huacheng Industrial Control Co., Ltd. All Rights Reserved.

      网站ICP备案号: 粤ICP备19106162号

      技术支持:新新网络

      咨询在线客服

      咨询电话

      13924666952

      400-158-1606

      官方客服微信