水平关节机器人的原点校准-qy球友会(中国)机械

qy球友会(中国)

水平关节机器人的原点校准

[ 发布日期:2022-05-13 ] 来源: 【打印此文】 【关闭窗口】

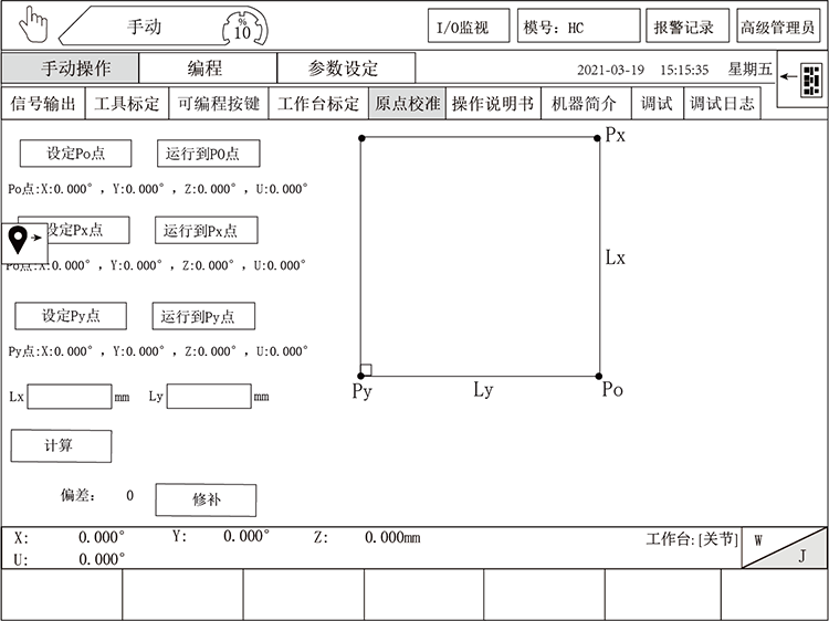
水平关节机器人系统为qy球友会(中国)系列SCARA机器人控制系统,原点校准操作如下:

切换到“手动”状态下,在此界面下可进行原点校准。



操作方法:

1)制作一个长为x(mm),宽为y(mm)的标准矩形,并将将矩形放在水平的平面上。

2)如上图,以矩形的一个角为Po,设入Po位置;从Po点移动x(mm)到另一个角Px,设入Px的位置;再从Po点移动y(mm)到另一个角Py,设入Py的位置。

3)在Lx和Ly编辑框中分别输入x(mm)和y(mm),点击计算偏差。

4)计算偏差后,点击修补,即可完成原点校准。

注意:原点校准后需断电重启。

版权所有 © 深圳市qy球友会(中国)工业控制股份有限公司 未经许可不得复制、转载或摘编,违者必究  版权声明

Copyright © Shenzhen Huacheng Industrial Control Co., Ltd. All Rights Reserved.

网站ICP备案号: 粤ICP备19106162号

技术支持:新新网络

咨询在线客服

咨询电话

13924666952

400-158-1606

官方客服微信